CXLB7410是一款高集成行动电源PMU ,内置5V/9V/12V开关式充电器、升压电路和两个独立的输出 端口– VOUT1和VOUT2。其中VOUT1输出端口可用 以支持5V、9V和12V的电压输出,VOUT2端口则仅 支持5V的电压输出。 CXLB7410 具有智能电源路径管理功能,可确保5V、9V和12V的输入电压通过VIN到VOUT1或者是5V的输 入电压通过VIN到VOUT2。智能电源路径管理功能是 通过HCXLB7410片自行沟通及判断来达成的。 对于需要定制功能的应用方案,CXLB7410供I 2 C界面 和缓存器设置 (包括内置 ADC)可对应。如此一来通过低 成本的MCU可以实现将产品快速地推向市场的定制方 案。
-
[ CXLB7410 ]"
目录
7.相关产品
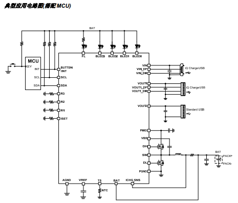
产品概述 返回TOP
CXLB7410是一款高集成行动电源PMU ,内置5V/9V/12V开关式充电器、升压电路和两个独立的输出 端口– VOUT1和VOUT2。其中VOUT1输出端口可用 以支持5V、9V和12V的电压输出,VOUT2端口则仅 支持5V的电压输出。 CXLB7410 具有智能电源路径管理功能,可确保5V、9V和12V的输入电压通过VIN到VOUT1或者是5V的输 入电压通过VIN到VOUT2。智能电源路径管理功能是 通过HCXLB7410片自行沟通及判断来达成的。 对于需要定制功能的应用方案,CXLB7410供I 2 C界面 和缓存器设置 (包括内置 ADC)可对应。如此一来通过低 成本的MCU可以实现将产品快速地推向市场的定制方 案。
产品特点 返回TOP
输入电压:
支持 intelligent Quick Charge (iQ Charge, 5V/9V/12V)
电池充电电流: 可达 2A (5V) 可达 3A (9V) 可达 4A (12V)
反向电流和热保护
软启动次序限制涌浪电流
过压、过流、短路和过温保护
VOUT1:
支持 intelligent Quick Charge (iQ Charge, 5V/9V/12V)
支持 BC1.2 DCP
支持 Divider3 (VOUT1_DP/DM=2.7V/2.7V)
自动装置侦测
空载侦测
过压、过流、短路和过温保护
VOUT2:
支持 5V
自动装置侦测
空载侦测
过压、过流、短路和过温保护
内置智能电源路径:
5V/9V/12V 输入电压,从 VIN 到 VOUT1
5V 输入电压,从 VIN 到 VOUT2
ISET 电阻控制 VOUT1+VOUT2 输出限流
内置每格 25mV 精准度的 VBAT 模拟–数字转换器
电池温度监测
通过 I 2 C 界面与 MCU 搭配
手电筒照明功能
5 mm × 5 mm 32 引脚 WQFN 封装
应用范围 返回TOP
行动电源
智能手机/PMPs/GPS/PDAs
低电量 USB 手持装置
技术规格书(产品PDF) 返回TOP
需要详细的PDF规格书请扫一扫微信联系我们,还可以获得免费样品以及技术支持!

产品封装图 返回TOP



电路原理图 返回TOP
相关芯片选择指南 返回TOP 更多同类产品......
|
异步3合1移动电源IC: |
||||||||||
|
型号 |
功能 |
包含的模块 |
工作模式 |
最低放电电压 |
放电过流保护 |
充电电流 |
升压效率 |
待机功耗 |
保护功能 |
封装 |
|
0.6A线性充电|1A异步升压放电| |
充电|升压电源|充放电指示|保护 |
充电|放电|待机 |
2.8V |
0.6A |
0.6A |
90% |
60uA |
过流保护|短路保护 |
SOT26 |
|
|
1A线性充电|1A异步升压放电 |
充电|升压放电管理|电量显示|综合控制保护 |
充电|放电|带按键 |LED手电筒 |
2.8V |
1.5A |
通过电阻调节 |
90% |
100uA |
过流|短路|短路限流|端口ESD |
SOP16 |
|
|
0.8A线性充电|扩流2.5A放电 |
充电管理|升压放电管理|电量指示|保护 |
充电|放电|带按键 |LED手电筒 |
2.9V |
通过电阻调节 |
92% |
8uA |
过充|过放|过温 |短路 |
SOP16 |
||
|
1A线性充电|1A异步升压放电 |
充电|升压放电管理|电量显示|综合控制保护 |
充电放电待机 休眠带按键 |
2.8V |
1A |
1A |
90% |
60uA |
过流|短路|过压 |欠压 |
SOP8PP |
|
|
带QC2.0接口的同步整流3合1移动电源IC: |
||||||||||
|
型号 |
功能 |
包含的模块 |
工作模式 |
最低放电电压 |
放电过流保护 |
充电电流 |
升压效率 |
待机功耗 |
保护功能 |
封装 |
|
2-4A同步开关充电|3.9A同步整流|升压放电|2路独立输出|带5V/9V/12V快充输出 |
充电管理|升压放电管理|电量指示|电量检测|综合控制|保护模块 |
2A/3A/4A充电|2路独 立放电输出|带5V/9V/12V快充输出|4LED指示电量|自动检测负载|带按键|带LED手电筒|带线损补偿 |
3.0V |
通过电阻调节 |
90% |
27uA |
过充|过放|过压|过流|短路|过热过温|反向电流|通过软启动次序限浪涌电流 |
QFN5X5-32 |
||




