CXLD64226是一款高精度、低噪音、高波纹抑制率、低落差的产品,双CMOS LDO电压调节器,带使能功能。EN功能允许输出关闭每个调节器,单独关闭,导致大幅度降低耗电量。CXLD64226具有软起动功能,可抑制冲击电流。当前限制每个通道的过电压为250毫安,aalso作为输出电流的短路保护限制器。每个调节器的输出电压通过金属微调独立设置。CXLD64226 iss完全兼容低ESR陶瓷电容,降低成本和提高输出稳定。这种高水平的输出稳定性即使在频率下也能保持负载磁通,。由于出色的瞬态响应性能和高PSRR在广泛的频率范围内实现
-
[ 产品资料下载 ]
目录
1.产品概述 2.产品特点
3.应用范围 4.下载产品资料PDF文档
5.产品封装图 6.电路原理图
7.功能概述 8.相关产品
一,产品概述(General Description)
The CXLD64226 is a high accuurately, low noise, high ripplee rejection raatio, low droppout,
dual CMOS LDO voltagge regulatorrs with enabble function. The EN function allows thhe output
off each regulator to be turnedd off indepenndently, resulting in greattly reduced
power consumptioon.
The CXLD64226 has the soft staart function to suppress the innrush current. The current limit
is ovver 250mA per chhannel and aalso operates as a short protection for the output currrent
limiter. The output voltage for each regulator is set indeependently by metal trimmming.
The CXLD64226 iss fully comppatible with low ESR ceram capacitoors, reducing cost and
improving outpu stability. This high evel output stability is mainttained even during frequuent
load fluuctuations,.due too the excelleent transient response peerformance and high PSRR
achieved across a broad range of frequeency. It is aavailable in tthe SOT-26,, TSOT-26
and DFN 2x2 pacckages.
二.产品特点(Features)
Input Volttage Range : 2.5V to 6V
Varied Fixxed Output Voltage Commbinations
200mV Dropout at 00mA Output Current (Vout ≧2.5V)
Output Current: 200mmA/channel (typ.)
Low Quieescent Curreent : 60uA (tyyp.)
Current Limit and Shoort Current Protection
Thermal Shutdown Protection
Fast Trannsient Respoonse
Low ESR Capacitor Compatible X7R, X5R)
Halogen Free Producct
三,应用范围 (Applications)
四.技术规格书下载(产品PDF)
需要详细的PDF规格书请扫一扫微信联系我们,还可以获得免费样品以及技术支持!

五,产品封装图 (Package)
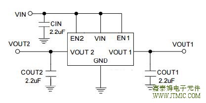
六.电路原理图
七,功能概述

八,相关芯片选择指南 更多同类产品......
|
Power IC-LDO: Dual Output,Low Dropout Voltage,Very Low Dropout Voltage |
||||||||||
|
Part Number |
Vin max |
Vref (V) |
Vout
|
Max. Current (A) |
Current Limit (A) |
Quies. |
Min. electro lytic capacitor |
MLCC ESR |
Package |
Demo board |
|
6 |
3.6V,3.3V,3.0V,2.8V,2.5V, 1.8V,1.5V |
0.3 |
0.3 |
30 |
1uF |
1uF/ESR> 30mΩ |
SOT89,SOT23 |
no |
||
|
6 |
5.0,3.6V,3.3V,3.1V,3.0V, 2.8V,2.5V,1.8V,1.5V,1.2V |
0.3 |
0.3 |
30 |
1uF |
1uF/ESR> 30mΩ |
SOT23-5 |
yes |
||
|
6 |
3.3V,3.0V,2.8V,2.5V,2.0V, 1.8V,1.5V |
0.6 |
0.6 |
30 |
1uF |
1uF/ESR> 30mΩ |
SOT223,SOT89, SOT23 |
no |
||
|
7 |
1.5V+2.8V,1.8V+2.8V, 1.8V+2.6V,1.8V+3.3V,2.5V+2.8V, 2.8V+1.2V,2.8V+2.8V, 2.8V+3.0V,2.8V+3.3V,2.0V+3.0V, 3.0V+3.3V, 3.3V+3.3V,2.8V+1.5V, 1.8V+3.0V,1.2V+2.8V,1.2V+1.2V |
0.2 |
0.3 |
1 |
4.7uF |
4.7uF |
SOT26,DFN2x2 |
no |
||
|
3.3V+1.2V,2.5V+1.2V,1.2V+1.1V |
0.6 |
0.6 |
30 |
Esposed SOP8 |
||||||
|
6 |
3.3V,3.0V,2.8V,2.5V,1.8V, 1.5V,1.2V,1.0V |
0.6 |
600 |
30 |
1uF |
1uF/50mΩ> ESR>30mΩ |
SOT23-5, SC70-5, SOT223, SOT-89, TO-252 |
yes SOT23-5 |
||
|
6 |
3.3V~1.5V,1.2V(0.1V Steps) |
0.3 |
0.3 |
30 |
1uF |
1uF/50mΩ >ESR>30mΩ |
SOT23, SOT23-5, SC70-4,SC70-5 |
yes SOT23-5 |
||
|
6 |
ADJ |
0.6 |
0.6 |
40 |
1uF/50mΩ >ESR>30mΩ |
SOT23-5, SC70-5 |
yes SOT23-5 |
|||
|
6 |
ADJ |
0.3 |
0.3 |
40 |
SOT23-5, SC70-5 |
yes(SOT23-5) |
||||
|
5.5 |
0.8 |
ADJ |
3 |
3.1 |
10 |
ESR>20mΩ |
Exposed SOP8 |
yes |
||
|
6 |
ADJ |
2 |
2.2 |
2 |
1uF/50mΩ >ESR>30mΩ |
Exposed SOP8 |
yes |
|||
|
5.5 |
0.8 |
ADJ |
3 |
3.1 |
yes |
|||||
|
10 |
1.25 |
ADJ,3.6V,3.3V,3.0V,2.8V, 2.5V,1.8V |
0.3 |
0.42 |
5 |
2.2uF |
2.2uF/ESR <1Ω |
SOT23-5 |
yes (Fixed) |
|
|
10 |
1.25 |
ADJ |
1 |
1.4 |
SOP8 |
no |
||||
|
10 |
0.8 |
ADJ |
0.3 |
0.32 |
5 |
2.2uF |
2.2uF/ESR <1Ω |
SOT23-5 |
yes |
|
|
27 |
1.25 |
ADJ,5.0V,3.3V,3.0V,2.8V, 2.5V,1.8V |
0.15 |
0.2 |
250 |
2.2uF |
2.2uF/ESR <1Ω |
SOT23-5, SOT89, ESOP-8,J-Lead2021-8 |
||
◀ 上一篇:CXLD64225低压差正线性稳压器低电压静止电流低ESR陶瓷电容器输出稳定600毫安输出电流用于无线设备液晶显示模块电池供电系统读卡器
下一篇▶:CXLD64227高效精确的双通道CMOS LDO稳压器超低静态应用调节器流限制热关机保护快速瞬态响应低损耗电压高输出精度限流保护高纹波抑制比
| 热门信息 |
|---|
| 最新信息 |
|---|
| 推荐信息 |
|---|















