CXLE8662是单通道LED 恒流驱动控制芯片, 可直接驱动高压LED灯串,输出电流由
外接SENSE电阻设置,输出电流范围在5mA~60mA,且输出电流恒定在设定值。芯片
系统结构简单,外围元器件极少,线路简单。
外围电路简单,无需磁性元件
多芯片串联或并联应用
芯片可与 LED 共用 PCB 板
LED 电流可外部设定
芯片应用线路无 EMI 问题
内置 400V 高压 MOS
芯片具有过温调节保护功能
-
[ CXLE8662 ]
目录
1.产品概述 2.产品特点
3.应用范围 4.下载产品资料PDF文档
5.产品封装图 6.电路原理图
7.功能概述 8.相关产品
一,产品概述(General Description)
CXLE8662是单通道LED 恒流驱动控制芯片, 可直接驱动高压LED灯串,输出电流由
外接SENSE电阻设置,输出电流范围在5mA~60mA,且输出电流恒定在设定值。芯片
系统结构简单,外围元器件极少,线路简单。
二.产品特点(Features)
外围电路简单,无需磁性元件
多芯片串联或并联应用
芯片可与 LED 共用 PCB 板
LED 电流可外部设定
芯片应用线路无 EMI 问题
内置 400V 高压 MOS
芯片具有过温调节保护功能
采用 ESOP8 封装
三,应用范围 (Applications)
LED 日光灯管 T5/T8/T10…
LED 球泡灯/玉米灯/蜡烛灯…
其它小功率的 LED 照明
四.下载产品资料PDF文档
需要详细的PDF规格书请扫一扫微信联系我们,还可以获得免费样品以及技术支持!

五,产品封装图 (Package)

|
管脚号 |
管脚名称 |
描述 |
|
1 |
GND |
芯片接地端 |
|
2 |
S1 |
芯片 1 电流采样端 |
|
3 |
GND |
芯片接地端 |
|
4 |
S2 |
芯片 2 电流采样端 |
|
5 |
D2 |
芯片 2 内置 MOS 漏极 |
|
6 |
NC |
空置 |
|
7 |
D1 |
芯片 1 内置 MOS 漏极 |
|
8 |
NC |
空置 |
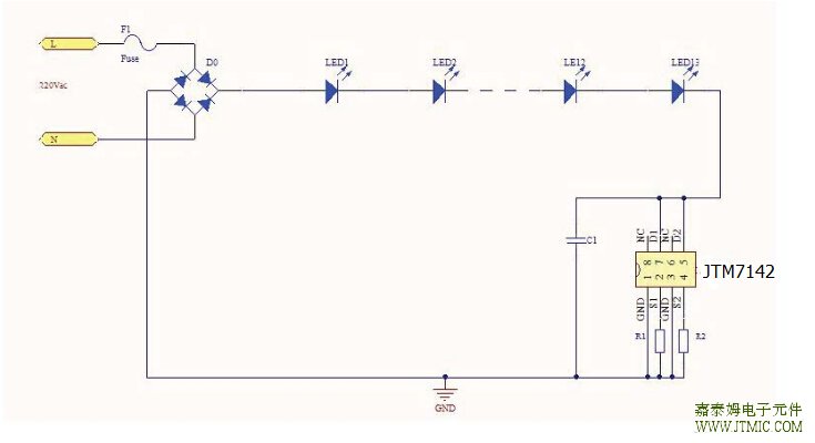
六.电路原理图


七,功能概述
CXLE8662 一颗 ESOP8 芯片中封装两颗晶元芯片,两块晶元并联。当电流较大时采用两颗
晶元并联,参照并联使用接法。
1、高压 LED 串的设计
所需设计参数如下:
(1) 交流输入电压: Vnor (Vrms)
(2) LED 晶粒的正向电流:If(mA)
(3) LED 晶粒的正向电压:Vf(V)
LED 晶粒的总数:N = (Vnor * 1.414-V1) /Vf (取整)。
其中 V1 是工作时 IC 压降,可以根据实际应用中散热条件适当调整,建议芯片功耗不大于
1.5W。当输入电压波动到 Vnor*1.414-V1<Vf*N.时灯珠串不亮,V1 过大损耗会增大,芯片
损耗增加温度上升,所以 V1 取值要根据输入电压波动合理设定。
2、效率设计
3、恒流控制,输出电流设置CXLE8662 可以通过外部电阻精确的设定工作电流。
工作电流计算公式:
I=Vref/R2
注:布 PCB 线路时芯片要有良好的散热环境。
电解电容C1 值越大,电压Vin 纹波越小,CXLE8662 输入Drive 端口电压纹波越小。C1 值
根据LED 灯管总工作电流而定:电流越大,C2 容值越大,一般取值4.7uF/400V~22uF/400V。
4、过温调节功能
为了提高芯片工作可靠性,CXLE8662 采用过温调节设计,当驱动电源过热时,逐渐减小
输出电流,从而控制输出电流及温升,使电源温度保持在设定值,以调高系统可靠性。芯片
内部设定过温调节温度点为 125℃。
当芯片温度超过 OTP 点时输出功率会逐渐减小,以防止温度过高芯片损坏。
八,相关产品 更多同类产品......
|
型号 |
工作电压 |
恒流值 |
工作 电流 |
工作 结温 |
封装 |
说明 |
|
2.7-5.5V/输入端 可接400V高压 |
扩流100mA-3A |
26uA |
-105 |
SOT-25 |
||
|
3.0-6.0V/输入端 可接400V高压 |
扩流20mA-3A |
85uA |
-105 |
SOT-25 |
||
|
输入端可接400V高压 |
10mA-1.5A/ |
250uA |
-125 |
ESOP-8 |
带软启动和温度补偿 |
|
|
输入端可接450V高压 |
5mA-60mA/ 5-12W |
150uA |
-160 |
ESOP-8 |
高PF值方案或无频闪方案, 带过温保护功能 |
|
|
输入端可接250V高压 |
5mA-60mA/ 5-12W |
160uA |
-160 |
TO-252 |
高PF值方案或无频闪方案, 带过温保护功能 |
|
|
输入端可接400V高压 |
10mA-120mA |
-190 |
ESOP8 |
|||
|
输入端可接450V高压 |
5mA-60mA/8-10W/ 分4段恒流可调 |
400uA |
-140 |
ESOP-8 |
高PF值大于0.95,带温度自 动调节和功率自动调节功能 |
|
|
输入端可接500V高压 |
最大90mA/3-12W/ 分4段恒流可调 |
400uA |
-140 |
ESOP-8 |
高PF值大于0.95,具有过热 保护功能智能温控启动结温 |
|
|
输入端可接500V高压 |
5mA-60mA/3-18W/ 分2段恒流可调 |
55uA |
-165 |
ESOP-8 |
外置MOS可以做到18W实现 无频闪有温度补偿和过热保护功能 |
|
|
输入端可接500V高压 |
5mA-60mA/3-18W/ 分2段恒流可调 |
55uA |
-165 |
ESOP-8 |
外置MOS做到18W,支持模拟调光和PWM调光PWM信号频率最大50KHz实现无频闪 |
|
|
输入端可接500V高压 |
5mA-60mA/3-18W/ 分2段恒流可调 |
55uA |
-165 |
ESOP-8 |
外置MOS做到18W,开关调光实现无频闪,温度补偿和过热保护功能 |
|
|
输入端可接500V高压 |
3mA-57mA/8W |
110uA |
-165 |
TO-252 |
||
|
输入端可接500V高压 |
80mA/15W |
TO-252 |
||||
|
输入端可接500V高压 |
60mA/15W |
ESOP-8 |
无频闪,高功率因素 |
|||
|
输入端可接450V高压 |
5mA-60mA/8W |
400uA |
-190 |
ESOP-8/TO-252/SOT-89 |
||
|
输入端可接450V高压 |
5mA-60mA/16W |
400uA |
-190 |
TO-252/SOT-89 |
||
|
输入端可接450V高压 |
5mA-60mA/8W |
400uA |
-190 |
ESOP-8 |
带模拟/数字调光功能,过热保护功能 |
|
|
输入端可接500V高压 |
10-60mA/8W |
400uA |
-190 |
ESOP-8 |
高PF值0.98,可控硅调光 |
|
|
输入端可接450V高压 |
5mA-60mA/8W |
400uA |
-190 |
ESOP-8 |
双通道递进式恒流模式,过热保护功能 |
|
|
输入端可接450V高压 |
10-60mA/8W |
-190 |
ESOP-8 |
高PF值0.98 |
||
|
输入端可接500V高压 |
60mA/8W |
400uA |
-190 |
ESOP-8 |
2段开关调光或调色,实现快速开关,可实现高PF值方案或无频闪方案 |
|
|
输入端可接500V高压 |
60mA/8W |
400uA |
-190 |
ESOP-8 |
3段开关调光或调色,可实现快速开关,可实现高PF值方案或无频闪方案 |
|
◀ 上一篇:CXLE8661T线性恒流 IC输出电流可调恒流精度高输出电流可调5mA-60mA恒流精度±3%过温保护功能无EMC问题高PF值方案或无频闪方案
下一篇▶:CXLE8663高功率因数线性恒流高压LED驱动芯片照明领域通过独特的恒流控制输入功率自动调节的功能高功率因数和低谐波失真输出电流可调60mA
| 热门信息 |
|---|
| 最新信息 |
|---|
| 推荐信息 |
|---|















