CXLC89105B用于驱动LED串(≤400V),并消除AC/DC电源上的100/120Hz电流纹波。专利的控制策略是为TRIAC可调光线性解决方案优化。CXLC89105B在整个输出电流范围内具有良好的纹波消除性能,在快速调光时具有优异的系统动态响应速度。由线路直接供电,可使CXLC89105B快速启动,降低静态功耗。CXLC89105B提供短路保护和过热保护(OTP)。在145oC时触发OTP,纹波电流随温度升高而释放。
自适应100/120Hz电流纹波消除器
输入电压范围20V~500V
内置500V功率MOSFET
可编程LED电流纹波
为TRIAC调光优化
内部LED电压限制
内部LED电流限制
短接保护
过热保护
-
[ CXLC89105B ]
目录
7.相关产品
产品概述 返回TOP
CXLC89105B is used to drive a LED string (≤400V), and removes the 100/120Hz current ripple on AC/DC power. Patented control strategies are optimized for TRIAC dimmable linear solutions. CXLC89105Benables good ripple removing performance in the whole output current range and excellent system dynamic responding speed in the fast dimming. Supplied from the line directly makes CXLC89105B a quick start-up and lower quiescent power loss. CXLC89105B provides short circuit protection and over temperature protection (OTP). OTP is trigged at 145oC, and the ripple current will be released with the temperature rising.
产品特点 返回TOP
Adaptive 100/120Hz current ripple remover
Input voltage range 20V~500V
Built-in 500V power MOSFET
Programmable LED current ripple
Optimized for TRIAC dimming
Internal LED voltage limit
Internal LED current limit
Short connected protection
Over temperature protection
SOT23-5 package
应用范围 返回TOP
LED lighting
技术规格书(产品PDF) 返回TOP
需要详细的PDF规格书请扫一扫微信联系我们,还可以获得免费样品以及技术支持!

产品封装图 返回TOP
a
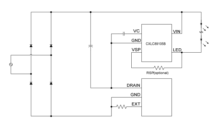
电路原理图 返回TOP

相关芯片选择指南 返回TOP 更多同类产品。。。。
| 工频纹波滤除产品 | ||||||
| 产品型号 | 封装 | MOS | Vin(V) | Iout-Max(A) | OCP/OVP/OTP | 调光 |
| CXLC89103O | SOT23-6 | 外置 | 18~200 | 5 | Hiccup | TRIAC/PWM/Analog |
| CXLC89103A | ESOP8 | 内置 | 18~60 | 0.5 | Hiccup | TRIAC/PWM/Analog |
| CXLC89104A | SOT89-3 | 内置 | 18~80 | 0.5 | Hiccup | N |
| CXLC89104B | TO252-2 | 内置 | 16~80 | 1 | Hiccup | N |
| TO220-3 | 内置 | 16~80 | 1.8 | Hiccup | N | |
| CXLC89105B | SOT23-5 | 内置 | 16-500 | 0.06 | Hiccup | TRIAC/PWM/Analog |
| CXLC89106 | CPC8-5 | 内置 | 16~500 | 0.06 | Hiccup | TRIAC/PWM/Analog |
| CXLE8949 | ESOP8 | 内置 | 18-150 | 0.5 | Hiccup | N |
| CXLE8949A | ESOP8 | 内置 | 18-60 | 0.5 | Hiccup | TRIAC/PWM/Analog |
| CXLE8949C | ESOP8 | 内置 | 18~600 | 0.1 | Hiccup | TRIAC/PWM/Analog |
| CXLE8950 | SOT23-6 | 外置 | 18~200 | 5 | Hiccup | N |
| CXLE8950A | SOT23-6 | 外置 | 18~200 | 5 | Hiccup | TRIAC/PWM/Analog |
| 热门信息 |
|---|
| 最新信息 |
|---|
| 推荐信息 |
|---|















