四通道 SPDT 视频模拟开关 CXAS4245,双向、单刀 双掷、模拟开关,具有低导通电阻、快速开关时间 等优良的性能指标,可广泛 用于各种模拟开关或其他开关应用场合
摘要:四通道 SPDT 视频模拟开关 CXAS4245,双向、单刀 双掷、模拟开关,具有低导通电阻、快速开关时间 等优良的性能指标,可广泛 用于各种模拟开关或其他开关应用场合
目录
1.产品概述 2.产品特点 3.应用范围 4.技术规格书下载(PDF文档)</span>
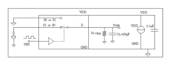
5.产品封装 6.电路原理图</strong> 7.相关产品
CXAS4245是一个四通道、双向、单刀 双掷、模拟开关,具有低导通电阻、快速开关时
间</span>等优良的性能指标,可广泛用于各种模拟开关或其他开关应用场合。
1、推荐工作电源电压范围:4.0V-5.5V
2、低导通电阻:5Ω@Vi=1V, 7Ω@Vi=2V
3、快速开关时间:10.0ns(VDD=5V)
4、低串扰:-70dB (VDD = 5V)
5、工作温度范围:-40℃ to 85℃
6、SO-16 、SSOP-16 封装
7、硅栅 CMOS 工艺制造
8、ESD:>4000V HBM
音视频开关
DVD 播放器
平板电视
机顶盒
CRT 显示器
需要详细的PDF规格书请扫一扫微信联系我们,还可以获得免费样品以及技术支持</span>!</span>



| 模拟开关</span>(Analog Switch) | |||||
| Part No. | Mode | Features | VDD | Package | Applications |
| CXAS4239 | SPDT | 2.7Ω 300MHz Low-Voltage Analog Switch | 1.8~5.5V | SC70-6 | Mobile Phone, PDA |
| CXAS4240C | Dual SPDT | 0.4Ω 27MHz Analog Switch | 1.65~5.5V | CSP10 | Mobile Phone, PDA |
| CXAS4241 | 4 SPDT | 0.4Ω 42MHz Analog Switch | 1.6~4.2V | TQFN16 | Mobile Phone, PDA |
| CXAS4242 | DPDT | High Speed USB 2.0(480Mbps) | 2.3~5 V | UTQFN10 | Mobile phone, DC and Notebook |
| CXAS4243 | DPDT | High Speed USB 2.0(480Mbps) | 2.3~5V | UTQFN10 MSOP10 | Mobile phone, DC and Notebook |
| CXAS4244 | 4 SPDT | 5.0Ω 500MHz Analog Switch | 4~5.5V | SOP16 SSOP16 | LCD TV, STB, DVD |
| CXAS4245 | 4 SPDT | Quad SPDT Analog Switch | 4~5.5V | SOP16 SSOP16 | LCD TV, STB, DVD |
文章标签
暂无标签

中文
English
发表评论