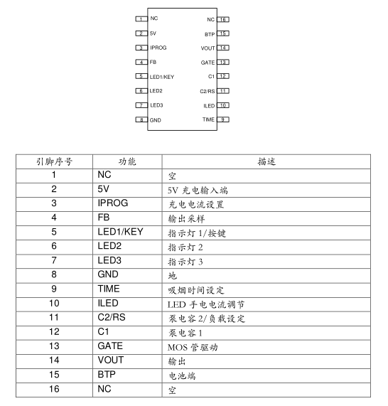
单芯片电子烟控制器CXMD2228单芯片电子烟控制芯片自举电路驱动低内阻低成本的NMOS管集成了单节锂电池充电管理模块,MOS管驱动,电量指示模块,功能控制模块,电池过充,过放保护模块,雾化器低阻保护,短路,以及芯片过热保护模块,满足电子烟的各种使用功能高集成度的电子烟控制器,可以驱动0.1-3欧的电热丝,最大功率5-100W充电电流500-1000mA可调,恒定电压4.15V
摘要:单芯片电子烟控制器CXMD2228单芯片电子烟控制芯片自举电路驱动低内阻低成本的NMOS管集成了单节锂电池充电管理模块,MOS管驱动,电量指示模块,功能控制模块,电池过充,过放保护模块,雾化器低阻保护,短路,以及芯片过热保护模块,满足电子烟的各种使用功能高集成度的电子烟控制器,可以驱动0.1-3欧的电热丝,最大功率5-100W充电电流500-1000mA可调,恒定电压4.15V
目录
相关芯片选择指南 返回TOP 更多同类产品.......
电子烟SOC | ||||||||
型号 | 封装 | 负载阻抗 | 最大输出电压</span> | 输出模式 | 最大输出功率</span> | 最大充电电流</span> | 充电输入口</span> | 静态电流</span> |
HMSOP16 | >0.1Ω | Vbat | 降压可调压</span> | 100W | 1A | USB口/雾化器口 | 8uA | |
HMSOP8 | >0.6Ω | Vbat | 降压全功率</span> | 30W | 0.5A | USB口/雾化器口 | 8uA | |
QFN16 | >0.8Ω | 5.5V | 升降压恒功率 | 15W | 1A | USB口/雾化器口 | 8uA | |
SOP16 | >0.8Ω | 5.5V | 升降压恒功率 | 15W | 1A | USB口/雾化器口 | 8uA | |
文章标签
暂无标签

中文
English



发表评论