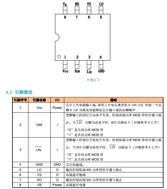
高端悬浮自举电源设计,耐压可达100V CXLE82108自带闭锁功能,彻底杜绝上、下管输出同时导通采用半桥达林顿管输出结构具有1A 大电流栅极驱动能力专用于无刷电机N 沟道MOS 管、IGBT 管栅极驱动HIN 输入通道高电平有效,控制高端HO 输出LIN 输入通道低电平有效,控制低端LO 输出
摘要:高端悬浮自举电源设计,耐压可达100V CXLE82108自带闭锁功能,彻底杜绝上、下管输出同时导通采用半桥达林顿管输出结构具有1A 大电流栅极驱动能力专用于无刷电机N 沟道MOS 管、IGBT 管栅极驱动HIN 输入通道高电平有效,控制高端HO 输出LIN 输入通道低电平有效,控制低端LO 输出
目录
相关芯片选择指南 返回TOP 更多同类产品.....
MOSFET驱动芯片 | ||||
型号 | 工作型号 | 电流 | 封装 | 说明 |
3V~30V | 1A | SOP-8 | 单通道MOS驱动 | |
8V~30V | SOP-8 | 半桥驱动芯片 | ||
3V~30V | 1A | SOP-8 | 单通道功率MOSFET驱动芯片 | |
11V~30V | SOP8 | 大功率MOS管、IGBT管栅极驱动专用芯片</span> | ||
11V~30V | SOP-8 | 大功率MOS 管、IGBT 管栅极驱动专用芯片</span> | ||
10V-15V | SOP-8 | 大功率MOS 管、IGBT 管栅极驱动专用芯片</span> | ||
2.8V-20V | 1A/1.5A | SOP-8 | 大功率MOS管、IGBT管栅极驱动芯片</span> | |
2.8V-20V | 1A/1.5A | SOP-8 | 大功率MOS管、IGBT管栅极驱动芯片</span> | |
5V 3.3V | 0.2A/-0.35A | SOP28L | 三相半桥电路驱动芯片 | |
4.5V-20V | 1.2A/-1.4A | TSSOP20 | 三相半桥驱动芯片 | |
2.8V-20V | 1.8A/-1.8A | SOP28L | 两相半桥驱动芯片 | |
文章标签
暂无标签

中文
English




发表评论