目录
产品概述 返回TOPPLQ嘉泰姆
The CXLD64157 CXLD64157A linear regulator is designed to provide a
regulated voltage with bi-directional output current for
DDR-SDRAM termination. The CXLD64157 CXLD64157A integrates two
power transistors to source or sink current up to 2A. It
also incorporates current-limit and thermal shutdown into
a single chip.
The output voltage of CXLD64157 CXLD64157A tracks the voltage at VREF
pin. An internal resistor divider is used to provide a half
voltage of VREF for VTTREF and VTT Voltage. The VTT
output voltage is only requiring 10mF of ceramic output
capacitance for stability and fast transient response. The
S3 and S5 pins provide the sleep state for VTT (S3 state)
and suspend state (S4/S5 state) for device when S5 and
S3 are both pulled low the device provides the soft-off for
VTT and VTTREF. The MSOP-10P and TDFN3x3-10 package
with a copper pad is available which provides excellent
thermal impedance.
产品特点 返回TOPPLQ嘉泰姆
· Sourcing and Sinking Current up to 2A PLQ嘉泰姆
· Wide Input Voltage Range: 1.2V to 3.6V PLQ嘉泰姆
· VTT and VTTREF Voltage Tracks at Half the VREF
Voltage PLQ嘉泰姆
· VTT and VTTREF Voltage with ±10mV Accuracy PLQ嘉泰姆
· Excellent Load Transient Response PLQ嘉泰姆
· Stable with 10mF Ceramic Output Capacitor PLQ嘉泰姆
· Current-Limit Protection PLQ嘉泰姆
· Thermal Shutdown Protection PLQ嘉泰姆
· Power-On-Reset Function on VCNTL PLQ嘉泰姆
· S3, S5 Input Signals for ACPI States PLQ嘉泰姆
· Small MSOP-10P and TDFN3x3-10 Packages PLQ嘉泰姆
· Lead Free and Green Devices Available
(RoHS Compliant)PLQ嘉泰姆
应用范围 返回TOPPLQ嘉泰姆
· DDR 2/3 Memory TerminationPLQ嘉泰姆
技术规格书(产品PDF) 返回TOP PLQ嘉泰姆
需要详细的PDF规格书请扫一扫微信联系我们,还可以获得免费样品以及技术支持</span>!</span>
PLQ嘉泰姆
PLQ嘉泰姆
产品封装图 返回TOPPLQ嘉泰姆



PLQ嘉泰姆
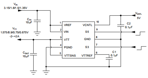
电路原理图 返回TOPPLQ嘉泰姆
PLQ嘉泰姆
PLQ嘉泰姆



PLQ嘉泰姆
Products > Linear Regulator > DDR Termination RegulatorPLQ嘉泰姆 |
Part_No PLQ嘉泰姆 | Package PLQ嘉泰姆 | InputPLQ嘉泰姆 Voltage PLQ嘉泰姆 (V) PLQ嘉泰姆 | VCNTL PLQ嘉泰姆 Voltage PLQ嘉泰姆 (V) PLQ嘉泰姆 | Quiescent PLQ嘉泰姆 Current PLQ嘉泰姆 (uA) PLQ嘉泰姆 | Output PLQ嘉泰姆 Sink PLQ嘉泰姆 Current PLQ嘉泰姆 (max)(A) PLQ嘉泰姆 | Output Source Current (max)(A) PLQ嘉泰姆 | DDR Power PLQ嘉泰姆 | VTTREF PLQ嘉泰姆 | S3/S5 PLQ嘉泰姆 |
minPLQ嘉泰姆 | maxPLQ嘉泰姆 | minPLQ嘉泰姆 | maxPLQ嘉泰姆 |
CXLD64155PLQ嘉泰姆 | SOP8/TO252-5/TO263-5PLQ嘉泰姆 | 1.2PLQ嘉泰姆 | 3.5PLQ嘉泰姆 | 3.1PLQ嘉泰姆 | 6PLQ嘉泰姆 | 3900PLQ嘉泰姆 | 3PLQ嘉泰姆 | 3PLQ嘉泰姆 | DDR1/DDR2/PLQ嘉泰姆 DDR3PLQ嘉泰姆 | NPLQ嘉泰姆 | NPLQ嘉泰姆 |
CXLD64156PLQ嘉泰姆 | MSOP-10PLQ嘉泰姆 | 1.2PLQ嘉泰姆 | 3.6PLQ嘉泰姆 | 4.5PLQ嘉泰姆 | 5.5PLQ嘉泰姆 | 2000PLQ嘉泰姆 | 3PLQ嘉泰姆 | 3PLQ嘉泰姆 | DDR1/DDR2/PLQ嘉泰姆 DDR3PLQ嘉泰姆 | YPLQ嘉泰姆 | YPLQ嘉泰姆 |
CXLD64157PLQ嘉泰姆 | MSOP1PLQ嘉泰姆 0TDFN3x3-10PLQ嘉泰姆 | 1.2PLQ嘉泰姆 | 3.6PLQ嘉泰姆 | 4.5PLQ嘉泰姆 | 5.5PLQ嘉泰姆 | 600PLQ嘉泰姆 | 2PLQ嘉泰姆 | 2PLQ嘉泰姆 | DDR2/DDR3PLQ嘉泰姆 | YPLQ嘉泰姆 | YPLQ嘉泰姆 |
CXLD64157APLQ嘉泰姆 | MSOP1PLQ嘉泰姆 0TDFN3x3-10PLQ嘉泰姆 | 1.2PLQ嘉泰姆 | 3.6PLQ嘉泰姆 | 3.1PLQ嘉泰姆 | 5.5PLQ嘉泰姆 | 600PLQ嘉泰姆 | 2PLQ嘉泰姆 | 2PLQ嘉泰姆 | DDR2/DDR3PLQ嘉泰姆 | YPLQ嘉泰姆 | YPLQ嘉泰姆 |
CXLD64158PLQ嘉泰姆 | SOP-8/pPLQ嘉泰姆 | 1.1PLQ嘉泰姆 | 4.5PLQ嘉泰姆 | 3PLQ嘉泰姆 | 5.5PLQ嘉泰姆 | 1000PLQ嘉泰姆 | 2PLQ嘉泰姆 | 2PLQ嘉泰姆 | DDR2/DDR3PLQ嘉泰姆 | NPLQ嘉泰姆 | NPLQ嘉泰姆 |
Products > Linear Regulator > LDO Regulator ControllerPLQ嘉泰姆 |
Part_No PLQ嘉泰姆 | Package PLQ嘉泰姆 | VCNTLPLQ嘉泰姆 Voltage (V) PLQ嘉泰姆 | QuiescentPLQ嘉泰姆 Current PLQ嘉泰姆 (uA) PLQ嘉泰姆 | Driver PLQ嘉泰姆 CurrentPLQ嘉泰姆 (mA) PLQ嘉泰姆 | Reference PLQ嘉泰姆 VoltagePLQ嘉泰姆 (V) PLQ嘉泰姆 | EN PLQ嘉泰姆 | POK PLQ嘉泰姆 | SS PLQ嘉泰姆 |
minPLQ嘉泰姆 | maxPLQ嘉泰姆 |
CXLD64159PLQ嘉泰姆 | SOT-23-6PLQ嘉泰姆 | 4.5PLQ嘉泰姆 | 13.5PLQ嘉泰姆 | 800PLQ嘉泰姆 | 50PLQ嘉泰姆 | 0.8/0.5PLQ嘉泰姆 | YPLQ嘉泰姆 | YPLQ嘉泰姆 | NPLQ嘉泰姆 |
CXLD64160PLQ嘉泰姆 | SOT-23-6PLQ嘉泰姆 | 4.5PLQ嘉泰姆 | 13.5PLQ嘉泰姆 | 800PLQ嘉泰姆 | 50PLQ嘉泰姆 | 0.8/0.5PLQ嘉泰姆 | YPLQ嘉泰姆 | NPLQ嘉泰姆 | YPLQ嘉泰姆 |
PLQ嘉泰姆
发表评论