目录
产品概述 返回TOPLNP嘉泰姆
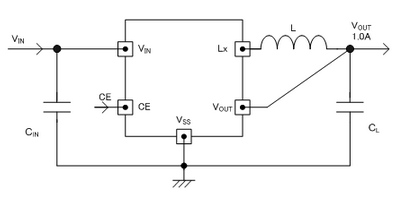
CXSD62206系列产品是可对应陶瓷电容,内置了P沟道MOS驱动晶体管及N沟道 MOS开关晶体管的同步整流型的降压DC/DC转换器。输出电压能在0.8V~3.6V(±2.0%)之间,能以0.05V间隔在内部设定。外接零部件只使用线圈和电容,能得到输出电流为1A的高效率稳定电源。有1.2MHz,6MHz的振荡频率,可以选择最适用于应用目的的频率。采用了具有优越的瞬态响应的HiSAT-COT(*)控制,可以从PWM控制,在从轻负载到重负载的整个负载区域内,实现了灵活的高速响应,低纹波率,高效率。通过在待机时整个电路停止工作,可以把消耗电流抑制在1.0μA以下。软启动功能在0.30ms(TYP.) 即可使电压高速地上升。内置了UVLO(Under Voltage Lock Out)功能,当输入电压在1.6V以下时,强制地使内部P沟道 MOS驱动晶体管停止工作。此外,B型通过CL的放电功能,在待机时使输出电容中的电荷放电。</span>LNP嘉泰姆
产品特点 返回TOPLNP嘉泰姆
LNP嘉泰姆
应用范围 返回TOPLNP嘉泰姆
LNP嘉泰姆
●Smart phones / Mobile phones LNP嘉泰姆
●Bluetooth LNP嘉泰姆
●Portable game consoles LNP嘉泰姆
●Digital still cameras / Camcorders LNP嘉泰姆
●Point-of-Load (POL) LNP嘉泰姆
●Wearable devicesLNP嘉泰姆
技术规格书(产品PDF) 返回TOP LNP嘉泰姆
需要详细的PDF规格书请扫一扫微信联系我们,还可以获得免费样品以及技术支持</span>!</span>
LNP嘉泰姆
LNP嘉泰姆
产品封装图 返回TOPLNP嘉泰姆

LNP嘉泰姆
电路原理图 返回TOPLNP嘉泰姆
LNP嘉泰姆
LNP嘉泰姆

LNP嘉泰姆
降压型DC/DC转换器</span>LNP嘉泰姆 |
产品名称LNP嘉泰姆 | 特点LNP嘉泰姆 | 封装LNP嘉泰姆 | 控制LNP嘉泰姆 | FETLNP嘉泰姆 | SynchLNP嘉泰姆 ronousLNP嘉泰姆 | VINLNP嘉泰姆 MINLNP嘉泰姆 | VINLNP嘉泰姆 MAXLNP嘉泰姆 | VOUTLNP嘉泰姆 MINLNP嘉泰姆 | VOUTLNP嘉泰姆 MAXLNP嘉泰姆 | IOUTLNP嘉泰姆 IINLNP嘉泰姆 | FB/VOUT电压精度LNP嘉泰姆 | 振荡频率kHzLNP嘉泰姆 | 限</span>制</span>LNP嘉泰姆 电流LNP嘉泰姆 mALNP嘉泰姆 | 消耗</span>LNP嘉泰姆 电流LNP嘉泰姆 μALNP嘉泰姆 LNP嘉泰姆
| 限定电流LNP嘉泰姆 |
(V)LNP嘉泰姆 | (V)LNP嘉泰姆 | (V)LNP嘉泰姆 | (V)LNP嘉泰姆 | mALNP嘉泰姆 | 自动LNP嘉泰姆 闩锁LNP嘉泰姆 |
CXSD62184LNP嘉泰姆 | PWM/PFMLNP嘉泰姆 | SOT25LNP嘉泰姆 USP-6CLNP嘉泰姆 | PWMLNP嘉泰姆 | 外置LNP嘉泰姆 | NoLNP嘉泰姆 | 2.2LNP嘉泰姆 | 10LNP嘉泰姆 | 1.5LNP嘉泰姆 | 6LNP嘉泰姆 | 1000LNP嘉泰姆 | ±2.5%LNP嘉泰姆 | 180LNP嘉泰姆 |
| 15LNP嘉泰姆 |
|
CXSD62185LNP嘉泰姆 | PWM/PFMLNP嘉泰姆 | SOT25LNP嘉泰姆 USP-6CLNP嘉泰姆 | PWM/PFMLNP嘉泰姆 | 外置LNP嘉泰姆 | NoLNP嘉泰姆 | 2.2LNP嘉泰姆 | 10LNP嘉泰姆 | 1.5LNP嘉泰姆 | 6LNP嘉泰姆 | 1000LNP嘉泰姆 | ±2.5%LNP嘉泰姆 | 180LNP嘉泰姆 |
| 15LNP嘉泰姆 |
|
CXSD62186LNP嘉泰姆 | PWM/PFMLNP嘉泰姆 | TSSOP16LNP嘉泰姆 | PWM/PFMLNP嘉泰姆 外部转换LNP嘉泰姆 | 外置LNP嘉泰姆 | YesLNP嘉泰姆 | 4LNP嘉泰姆 | 25LNP嘉泰姆 | 1.5LNP嘉泰姆 | 15LNP嘉泰姆 | 5000LNP嘉泰姆 | ±1.5%LNP嘉泰姆 | 300LNP嘉泰姆 |
| 450LNP嘉泰姆 | 闩锁LNP嘉泰姆 |
CXSD62187LNP嘉泰姆 | PWM/PFMLNP嘉泰姆 | SOT2LNP嘉泰姆 5USP-6CLNP嘉泰姆 | PWMLNP嘉泰姆 | 外置LNP嘉泰姆 | NoLNP嘉泰姆 | 2.8LNP嘉泰姆 | 16LNP嘉泰姆 | 1.2LNP嘉泰姆 |
| 3000LNP嘉泰姆 | ±1.5%LNP嘉泰姆 | 300LNP嘉泰姆 |
| 25LNP嘉泰姆 | 闩锁LNP嘉泰姆 |
CXSD62188LNP嘉泰姆 | PWM/PFMLNP嘉泰姆 | SOT2LNP嘉泰姆 5USP-6CLNP嘉泰姆 | PWM/PFMLNP嘉泰姆 | 外置LNP嘉泰姆 | NoLNP嘉泰姆 | 2.8LNP嘉泰姆 | 16LNP嘉泰姆 | 1.2LNP嘉泰姆 |
| 3000LNP嘉泰姆 | ±1.5%LNP嘉泰姆 | 300LNP嘉泰姆 |
| 25LNP嘉泰姆 | 闩锁LNP嘉泰姆 |
CXSD62189LNP嘉泰姆 | PWM/PFMLNP嘉泰姆 | MSOP10LNP嘉泰姆 USP10BLNP嘉泰姆 | PWM/PFM LNP嘉泰姆 外部转换LNP嘉泰姆 | PchLNP嘉泰姆 | YesLNP嘉泰姆 | 2.5LNP嘉泰姆 | 6LNP嘉泰姆 | 0.9LNP嘉泰姆 | 6LNP嘉泰姆 | 1000LNP嘉泰姆 | ±2.0%LNP嘉泰姆 | 1000LNP嘉泰姆 | 900LNP嘉泰姆 2000LNP嘉泰姆 | 30LNP嘉泰姆 | 闩锁LNP嘉泰姆 |
CXSD62190LNP嘉泰姆 | PWM/PFMLNP嘉泰姆 | MSOP1LNP嘉泰姆 0USP10BLNP嘉泰姆 | PWM/PFM LNP嘉泰姆 外部转换LNP嘉泰姆 | PchLNP嘉泰姆 | YesLNP嘉泰姆 | 2.5LNP嘉泰姆 | 6LNP嘉泰姆 | 0.9LNP嘉泰姆 | 6LNP嘉泰姆 | 1000LNP嘉泰姆 | ±2.0%LNP嘉泰姆 | 1000LNP嘉泰姆 | 900LNP嘉泰姆 2000LNP嘉泰姆 | 30LNP嘉泰姆 | 闩锁LNP嘉泰姆 |
CXSD62191LNP嘉泰姆 | PWM/PFMLNP嘉泰姆 | SOT25LNP嘉泰姆 USP6CLNP嘉泰姆 USP6ELLNP嘉泰姆 WLP5-03LNP嘉泰姆 | PWMLNP嘉泰姆 | PchLNP嘉泰姆 | YesLNP嘉泰姆 | 1.8LNP嘉泰姆 | 6LNP嘉泰姆 | 0.8LNP嘉泰姆 | 4LNP嘉泰姆 | 600LNP嘉泰姆 | ±2.0%LNP嘉泰姆 | 1200LNP嘉泰姆 | 1050LNP嘉泰姆 | 15LNP嘉泰姆 | 闩锁LNP嘉泰姆 |
CXSD62192LNP嘉泰姆 | PWM/PFMLNP嘉泰姆 | SOT25LNP嘉泰姆 USP6CLNP嘉泰姆 USP6ELLNP嘉泰姆 WLP5-03LNP嘉泰姆 | PWM/PFMLNP嘉泰姆 | PchLNP嘉泰姆 | YesLNP嘉泰姆 | 1.8LNP嘉泰姆 | 6LNP嘉泰姆 | 0.8LNP嘉泰姆 | 4LNP嘉泰姆 | 600LNP嘉泰姆 | ±2.0%LNP嘉泰姆 | 1200LNP嘉泰姆 | 1050LNP嘉泰姆 | 15LNP嘉泰姆 | 闩锁LNP嘉泰姆 |
CXSD62193LNP嘉泰姆 | PWM/PFMLNP嘉泰姆 | SOT25LNP嘉泰姆 USP6CLNP嘉泰姆 USP6ELLNP嘉泰姆 WLP5-03 LNP嘉泰姆 | PWM/PFM LNP嘉泰姆 外部转换LNP嘉泰姆 | PchLNP嘉泰姆 | YesLNP嘉泰姆 | 1.8LNP嘉泰姆 | 6LNP嘉泰姆 | 0.8LNP嘉泰姆 | 4LNP嘉泰姆 | 600LNP嘉泰姆 | ±2.0%LNP嘉泰姆 | 1200LNP嘉泰姆 | 1050LNP嘉泰姆 | 15LNP嘉泰姆 | 闩锁LNP嘉泰姆 |
CXSD62194LNP嘉泰姆 | 2A降压同步整流LNP嘉泰姆 | SOP8FLNP嘉泰姆 USP10BLNP嘉泰姆 | PWMLNP嘉泰姆 | PchLNP嘉泰姆 | YesLNP嘉泰姆 | 2.7LNP嘉泰姆 | 6LNP嘉泰姆 | 0.9LNP嘉泰姆 | 6LNP嘉泰姆 | 2000LNP嘉泰姆 | ±2.0%LNP嘉泰姆 | 1200LNP嘉泰姆 | 4000LNP嘉泰姆 | 41LNP嘉泰姆 | 自动LNP嘉泰姆 |
CXSD62195LNP嘉泰姆 | 2A降压同步整流LNP嘉泰姆 | SOP8FDLNP嘉泰姆 USP10BLNP嘉泰姆 | PWM/PFMLNP嘉泰姆 | PchLNP嘉泰姆 | YesLNP嘉泰姆 | 2.7LNP嘉泰姆 | 6LNP嘉泰姆 | 0.9LNP嘉泰姆 | 6LNP嘉泰姆 | 2000LNP嘉泰姆 | ±2.0%LNP嘉泰姆 | 1200LNP嘉泰姆 | 4000LNP嘉泰姆 | 41LNP嘉泰姆 | 自动LNP嘉泰姆 |
CXSD62196LNP嘉泰姆 | 400mA 降压同步整流LNP嘉泰姆 | USPN6LNP嘉泰姆 | PWMLNP嘉泰姆 | PchLNP嘉泰姆 | YesLNP嘉泰姆 | 2.3LNP嘉泰姆 | 6LNP嘉泰姆 | 0.8LNP嘉泰姆 | 4LNP嘉泰姆 | 400LNP嘉泰姆 | ±2.0%LNP嘉泰姆 | 1200LNP嘉泰姆 | 900LNP嘉泰姆 | 18LNP嘉泰姆 | 闩锁LNP嘉泰姆 |
CXSD62197LNP嘉泰姆 | 400mA 降压同步整流LNP嘉泰姆 | USPN6LNP嘉泰姆 | PWM/PFMLNP嘉泰姆 | PchLNP嘉泰姆 | YesLNP嘉泰姆 | 2.3LNP嘉泰姆 | 6LNP嘉泰姆 | 0.8LNP嘉泰姆 | 4LNP嘉泰姆 | 400LNP嘉泰姆 | ±2.0%LNP嘉泰姆 | 1200LNP嘉泰姆 | 900LNP嘉泰姆 | 18LNP嘉泰姆 | 闩锁LNP嘉泰姆 |
CXSD62198LNP嘉泰姆 | 内置驱动晶体管、工作于16VLNP嘉泰姆 | SOT26WLNP嘉泰姆 USP6CLNP嘉泰姆 | PWMLNP嘉泰姆 | NchLNP嘉泰姆 | NoLNP嘉泰姆 | 4.5LNP嘉泰姆 | 16LNP嘉泰姆 | 1.2LNP嘉泰姆 | 5.6LNP嘉泰姆 | 1000LNP嘉泰姆 | ±2.0%LNP嘉泰姆 | 1200LNP嘉泰姆 | 2500LNP嘉泰姆 | 150LNP嘉泰姆 | 闩锁LNP嘉泰姆 |
CXSD62199LNP嘉泰姆 | PWM/PFMLNP嘉泰姆 | SOT26WLNP嘉泰姆 USP6CLNP嘉泰姆 USP6CLNP嘉泰姆 | PWM/PFMLNP嘉泰姆 | NchLNP嘉泰姆 | NoLNP嘉泰姆 | 4.5LNP嘉泰姆 | 16LNP嘉泰姆 | 1.2LNP嘉泰姆 | 5.6LNP嘉泰姆 | 1000LNP嘉泰姆 | ±2.0%LNP嘉泰姆 | 1200LNP嘉泰姆 | 2500LNP嘉泰姆 | 150LNP嘉泰姆 | 闩锁LNP嘉泰姆 |
CXSD62200LNP嘉泰姆 | PWMLNP嘉泰姆 | SOP8FDLNP嘉泰姆 | PWMLNP嘉泰姆 | NchLNP嘉泰姆 | YesLNP嘉泰姆 | 4.5LNP嘉泰姆 | 18LNP嘉泰姆 | 1LNP嘉泰姆 | 12LNP嘉泰姆 | 2200LNP嘉泰姆 | ±1.5%LNP嘉泰姆 | 500LNP嘉泰姆 | 2100LNP嘉泰姆 | 760LNP嘉泰姆 | 自动LNP嘉泰姆 闩锁LNP嘉泰姆 |
CXSD62201LNP嘉泰姆 | 适应105℃工作于30V 低消耗电流</span>LNP嘉泰姆 | SOP8FDLNP嘉泰姆 | PWMLNP嘉泰姆 | NchLNP嘉泰姆 | NoLNP嘉泰姆 | 7LNP嘉泰姆 | 30LNP嘉泰姆 | 1.2LNP嘉泰姆 | 12LNP嘉泰姆 | 2000LNP嘉泰姆 | ±2.0%LNP嘉泰姆 | 300LNP嘉泰姆 | 3200LNP嘉泰姆 | 200LNP嘉泰姆 250LNP嘉泰姆 | 自动・闩锁LNP嘉泰姆 |
CXSD62202LNP嘉泰姆 | 适应105℃工作于30V 低消耗电流</span>LNP嘉泰姆 | SOP8FDLNP嘉泰姆 | PWM/PFMLNP嘉泰姆 | NchLNP嘉泰姆 | NoLNP嘉泰姆 | 7LNP嘉泰姆 | 30LNP嘉泰姆 | 1.2LNP嘉泰姆 | 12LNP嘉泰姆 | 2000LNP嘉泰姆 | ±2.0%LNP嘉泰姆 | 300LNP嘉泰姆 | 3200LNP嘉泰姆 | 200LNP嘉泰姆 250LNP嘉泰姆 | 自动LNP嘉泰姆 闩锁LNP嘉泰姆 |
CXSD62203LNP嘉泰姆 | 适应105℃工作于30V 低消耗电流</span>LNP嘉泰姆 | TSSOP16LNP嘉泰姆 USP10BLNP嘉泰姆 | PWM/PFM 外部转换LNP嘉泰姆 | 外置LNP嘉泰姆 | NoLNP嘉泰姆 | 3LNP嘉泰姆 | 30LNP嘉泰姆 | 0.8LNP嘉泰姆 |
|
| ±2.0%LNP嘉泰姆 | ADJLNP嘉泰姆 |
| 30LNP嘉泰姆 | 自动LNP嘉泰姆 闩锁LNP嘉泰姆 |
CXSD62204LNP嘉泰姆 | PWM/PFM For USB 3.0LNP嘉泰姆 | SOT25LNP嘉泰姆 USP6BLNP嘉泰姆 | PWM/PFMLNP嘉泰姆 | PchLNP嘉泰姆 | YesLNP嘉泰姆 | 2LNP嘉泰姆 | 6LNP嘉泰姆 | 3.3LNP嘉泰姆 |
| 500LNP嘉泰姆 | ±2.0%LNP嘉泰姆 | 600LNP嘉泰姆 | 700LNP嘉泰姆 | 15LNP嘉泰姆 | 闩锁LNP嘉泰姆 |
CXSD62205LNP嘉泰姆 | PWM/PFMLNP嘉泰姆 | SOT25LNP嘉泰姆 USP6CLNP嘉泰姆 | PWM/PFMLNP嘉泰姆 | PchLNP嘉泰姆 | YesLNP嘉泰姆 | 2LNP嘉泰姆 | 6LNP嘉泰姆 | 1.2LNP嘉泰姆 |
| 600LNP嘉泰姆 | ±2.0%LNP嘉泰姆 | 1200LNP嘉泰姆 | 1050LNP嘉泰姆 | 15LNP嘉泰姆 | 闩锁LNP嘉泰姆 |
CXSD62206LNP嘉泰姆 | COT控制 1ALNP嘉泰姆 | SOT25LNP嘉泰姆 USP6CLNP嘉泰姆 | PWMLNP嘉泰姆 | PchLNP嘉泰姆 | YesLNP嘉泰姆 | 2.5LNP嘉泰姆 | 5.5LNP嘉泰姆 | 0.8LNP嘉泰姆 | 3.6LNP嘉泰姆 | 1000LNP嘉泰姆 | ±2.0%LNP嘉泰姆 | 1200LNP嘉泰姆 | 1500LNP嘉泰姆 | 250LNP嘉泰姆 400LNP嘉泰姆 | 自动LNP嘉泰姆 |
CXSD62207LNP嘉泰姆 | COT控制 1ALNP嘉泰姆 | SOT25LNP嘉泰姆 USP6CLNP嘉泰姆 | PWM/PFMLNP嘉泰姆 | PchLNP嘉泰姆 | YesLNP嘉泰姆 | 2.5LNP嘉泰姆 | 5.5LNP嘉泰姆 | 0.8LNP嘉泰姆 | 3.6LNP嘉泰姆 | 1000LNP嘉泰姆 | ±2.0%LNP嘉泰姆 | 1200LNP嘉泰姆 | 1500LNP嘉泰姆 | 15,40LNP嘉泰姆 | 自动LNP嘉泰姆 |
CXSD62208LNP嘉泰姆 | COT控制 1ALNP嘉泰姆 | LGA8B01LNP嘉泰姆 | PWM/PFMLNP嘉泰姆 外部转换LNP嘉泰姆 | PchLNP嘉泰姆 | YesLNP嘉泰姆 | 2.5LNP嘉泰姆 | 5.5LNP嘉泰姆 | 0.8LNP嘉泰姆 | 3.6LNP嘉泰姆 | 1000LNP嘉泰姆 | ±2.0%LNP嘉泰姆 | 1200LNP嘉泰姆 | 1500LNP嘉泰姆 | 15,40LNP嘉泰姆 | 自动LNP嘉泰姆 |
CXSD62209LNP嘉泰姆 | COT控制 1.5ALNP嘉泰姆 | SOT89-5LNP嘉泰姆 USP6CLNP嘉泰姆 | PWMLNP嘉泰姆 | PchLNP嘉泰姆 | YesLNP嘉泰姆 | 2.7LNP嘉泰姆 | 5.5LNP嘉泰姆 | 0.8LNP嘉泰姆 | 3.6LNP嘉泰姆 | 1500LNP嘉泰姆 | ±2.0%LNP嘉泰姆 | 1200LNP嘉泰姆 | 3000LNP嘉泰姆 | 250LNP嘉泰姆 400LNP嘉泰姆 | 自动LNP嘉泰姆 |
CXSD62210LNP嘉泰姆 | COT控制 1.5ALNP嘉泰姆 | SOT89-5LNP嘉泰姆 USP6CLNP嘉泰姆 | PWM/PFMLNP嘉泰姆 | PchLNP嘉泰姆 | YesLNP嘉泰姆 | 2.7LNP嘉泰姆 | 5.5LNP嘉泰姆 | 0.8LNP嘉泰姆 | 3.6LNP嘉泰姆 | 1500LNP嘉泰姆 | ±2.0%LNP嘉泰姆 | 1200LNP嘉泰姆 | 3000LNP嘉泰姆 | 15,25LNP嘉泰姆 | 自动LNP嘉泰姆 |
CXSD62211LNP嘉泰姆 | COT控制 1.5ALNP嘉泰姆 | LGA8B01LNP嘉泰姆 | PWM/PFMLNP嘉泰姆 外部转换LNP嘉泰姆 | PchLNP嘉泰姆 | YesLNP嘉泰姆 | 2.7LNP嘉泰姆 | 5.5LNP嘉泰姆 | 0.8LNP嘉泰姆 | 3.6LNP嘉泰姆 | 1500LNP嘉泰姆 | ±2.0%LNP嘉泰姆 | 1200LNP嘉泰姆 | 3000LNP嘉泰姆 | 15,25LNP嘉泰姆 | 自动LNP嘉泰姆 |
CXSD62212LNP嘉泰姆 | 工作于18V 内置驱动晶体管</span>LNP嘉泰姆 | SOT25LNP嘉泰姆 USP6CLNP嘉泰姆 | PWMLNP嘉泰姆 | PchLNP嘉泰姆 | YesLNP嘉泰姆 | 3LNP嘉泰姆 | 18LNP嘉泰姆 | 1LNP嘉泰姆 | 15LNP嘉泰姆 | 500LNP嘉泰姆 | ±1.5%LNP嘉泰姆 | 500LNP嘉泰姆 |
| 11.5, 12.5, 13.5LNP嘉泰姆 | 自动LNP嘉泰姆 闩锁LNP嘉泰姆 |
CXSD62213LNP嘉泰姆 | 工作于18V 内置驱动晶体管</span>LNP嘉泰姆 | SOT25LNP嘉泰姆 USP-6CLNP嘉泰姆 | PWM/PFMLNP嘉泰姆 | PchLNP嘉泰姆 | YesLNP嘉泰姆 | 3LNP嘉泰姆 | 18LNP嘉泰姆 | 1LNP嘉泰姆 | 15LNP嘉泰姆 | 500LNP嘉泰姆 | ±1.5%LNP嘉泰姆 | 500LNP嘉泰姆 |
| 11.5, 12.5, 13.5LNP嘉泰姆 | 自动LNP嘉泰姆 闩锁LNP嘉泰姆 |
CXSD62214LNP嘉泰姆 | 超低消耗 降压PFM同步整流LNP嘉泰姆 | SOT25LNP嘉泰姆 USP6ELLNP嘉泰姆 | PFMLNP嘉泰姆 | PchLNP嘉泰姆 | YesLNP嘉泰姆 | 2LNP嘉泰姆 | 6LNP嘉泰姆 | 1LNP嘉泰姆 | 4LNP嘉泰姆 | 200LNP嘉泰姆 | ±2.0%LNP嘉泰姆 |
| 180LNP嘉泰姆 330LNP嘉泰姆 | 0.5LNP嘉泰姆 |
|
CXSD62215LNP嘉泰姆 | COT控制 6ALNP嘉泰姆 | QFN040LNP嘉泰姆 4-24CLNP嘉泰姆 | PWM/PFM LNP嘉泰姆 外部转换LNP嘉泰姆 | PchLNP嘉泰姆 | YesLNP嘉泰姆 | 2.7LNP嘉泰姆 | 5.5LNP嘉泰姆 | 0.8LNP嘉泰姆 | 3.6LNP嘉泰姆 | 6000LNP嘉泰姆 | ±1.0%LNP嘉泰姆 | 1200LNP嘉泰姆 | 10000LNP嘉泰姆 | 40LNP嘉泰姆 | 闩锁LNP嘉泰姆 |
CXSD62216LNP嘉泰姆 | 适应105℃内置了工作于30V的驱动晶体管LNP嘉泰姆 | SOP8FDLNP嘉泰姆 | PWMLNP嘉泰姆 | NchLNP嘉泰姆 | NoLNP嘉泰姆 | 7LNP嘉泰姆 | 30LNP嘉泰姆 | 1.2LNP嘉泰姆 | 12LNP嘉泰姆 | 2000LNP嘉泰姆 | ±2.0%LNP嘉泰姆 | 300LNP嘉泰姆 | 3200LNP嘉泰姆 | 200LNP嘉泰姆 | 自动LNP嘉泰姆 闩锁LNP嘉泰姆 |
CXSD62217LNP嘉泰姆 | 105℃内置了工作于30V的驱动晶体管LNP嘉泰姆 | SOP8FDLNP嘉泰姆 | PWM/PFMLNP嘉泰姆 | NchLNP嘉泰姆 | NoLNP嘉泰姆 | 7LNP嘉泰姆 | 30LNP嘉泰姆 | 1.2LNP嘉泰姆 | 12LNP嘉泰姆 | 2000LNP嘉泰姆 | ±2.0%LNP嘉泰姆 | 300LNP嘉泰姆 | 3200LNP嘉泰姆 | 200LNP嘉泰姆 | 自动LNP嘉泰姆 闩锁LNP嘉泰姆 |
CXSD62218LNP嘉泰姆 | 超低消耗 降压PFM同步整流LNP嘉泰姆 | SOT25LNP嘉泰姆 USP6ELLNP嘉泰姆 | PFMLNP嘉泰姆 | PchLNP嘉泰姆 | YesLNP嘉泰姆 | 2LNP嘉泰姆 | 6LNP嘉泰姆 | 0.6LNP嘉泰姆 | 0.95LNP嘉泰姆 | 50LNP嘉泰姆 |
|
|
| 0.5LNP嘉泰姆 | NoLNP嘉泰姆 |
CXSD62219LNP嘉泰姆 | COT控制 3.0ALNP嘉泰姆 | QFN040LNP嘉泰姆 4-24CLNP嘉泰姆 | PWM,PWMLNP嘉泰姆 PFMLNP嘉泰姆 | PchLNP嘉泰姆 | YesLNP嘉泰姆 | 2.7LNP嘉泰姆 | 5.5LNP嘉泰姆 | 0.8LNP嘉泰姆 | 3.6LNP嘉泰姆 | 3000LNP嘉泰姆 |
| 1200LNP嘉泰姆 |
| 40LNP嘉泰姆 | 闩锁LNP嘉泰姆 |
CXSD62220LNP嘉泰姆 | 降压+P-ch Power MOSLNP嘉泰姆 | USP12B01LNP嘉泰姆 | PWM,PWMLNP嘉泰姆 PFMLNP嘉泰姆 | PchLNP嘉泰姆 | NoLNP嘉泰姆 | 4LNP嘉泰姆 | 16LNP嘉泰姆 | 1.2LNP嘉泰姆 |
| 3000LNP嘉泰姆 | ±1.5%LNP嘉泰姆 | 500LNP嘉泰姆 |
|
| 闩锁LNP嘉泰姆 |
CXSD62221LNP嘉泰姆 | 车载类, 2A同步整流LNP嘉泰姆 | USP10BLNP嘉泰姆 | PWM/PFMLNP嘉泰姆 | PchLNP嘉泰姆 | YesLNP嘉泰姆 | 2.7LNP嘉泰姆 | 6LNP嘉泰姆 | 0.9LNP嘉泰姆 | 6LNP嘉泰姆 | 2000LNP嘉泰姆 | ±2.0%LNP嘉泰姆 | 1200LNP嘉泰姆 |
| 41LNP嘉泰姆 | AutoLNP嘉泰姆 |
CXSD62222LNP嘉泰姆 | 车载类, 2A 同步整流LNP嘉泰姆 | USP10BLNP嘉泰姆 | PWM/PFMLNP嘉泰姆 | PchLNP嘉泰姆 | YesLNP嘉泰姆 | 2.7LNP嘉泰姆 | 6LNP嘉泰姆 | 0.9LNP嘉泰姆 | 6LNP嘉泰姆 | 2000LNP嘉泰姆 | ±2.0%LNP嘉泰姆 | 1200LNP嘉泰姆 |
| 41LNP嘉泰姆 | AutoLNP嘉泰姆 |
CXSD62223LNP嘉泰姆 | 车载类, COT控制 1.5A同步整流降压型</span>LNP嘉泰姆 | USP6CLNP嘉泰姆 | PWMLNP嘉泰姆 | PchLNP嘉泰姆 | YesLNP嘉泰姆 | 2.7LNP嘉泰姆 | 5.5LNP嘉泰姆 | 0.8LNP嘉泰姆 | 3.6LNP嘉泰姆 | 1500LNP嘉泰姆 | ±2.0%LNP嘉泰姆 | 1200LNP嘉泰姆 |
| 25LNP嘉泰姆 | AutoLNP嘉泰姆 |
CXSD62224LNP嘉泰姆 | 车载类, COT控制 1.5A同步整流降压型</span>LNP嘉泰姆 | USP6CLNP嘉泰姆 | PWM/PFMLNP嘉泰姆 | PchLNP嘉泰姆 | YesLNP嘉泰姆 | 2.7LNP嘉泰姆 | 5.5LNP嘉泰姆 | 0.8LNP嘉泰姆 | 3.6LNP嘉泰姆 | 1500LNP嘉泰姆 | ±2.0%LNP嘉泰姆 | 1200LNP嘉泰姆 |
| 25LNP嘉泰姆 | AutoLNP嘉泰姆 |
LNP嘉泰姆
发表评论