CXAO42138A (单)、CXAO42138B(双)和CXAO42138C(四)是将高速性能和轨对轨输出结合起来的单位增益稳定设备。这些设备的目标是将输入或输出公开给外部世界的应用程序,如视频和通信。这些设备可以在±2.25V到±6V双电源或+4.5V到+12V单电源之间工作。共模输入电压范围延伸至负电源供电轨(在单电源应用中接地)。CXAO42138A/2/4每个放大器仅消耗8.5mA的静态电源电流,同时实现100MHz-3dB带宽、-0.1dB增益平坦度的56MHz小信号带宽和155V/μs转换速率。CXAO42138A单曲有绿色SOT-23-5、MSOP-8和SOIC-8三种包装。CXAO42138B dual提供绿色SOIC-8和MSOP-8封装。CXAO42138C四芯电缆有绿色SOIC-14和TSSOP-14两种包装。CXAO42138A/B/C是在扩展的-40℃到+85℃温度范围内指定的。•+4.5V至+12V单电源或±2.25V至±6V双电源
•高速
100MHz-3dB带宽
56MHz-0.1dB增益平坦度
155V/μs转换率
•轨对轨输出
•低差分增益/相位:0.02%/0.02°
•高输出驱动:103mA
-
[ CXAO42138A ]
目录
7.相关产品
产品概述 返回TOP
The CXAO42138A (single), CXAO42138B (dual) and CXAO42138C (quad) are unity gain stable devices that combine high speed performance and rail-to-rail outputs. These devices are targeted for applications where an input or an output is exposed to the outside world, such as video and communications.
These devices can operate from ±2.25V to ±6V dual power supplies or from +4.5V to +12V single supplies. The common mode input voltage range extends to the negative power-supply rail (ground in single-supply applications).
The CXAO42138A/2/4 consume only 8.5mA of quiescent supply current per amplifier while achieving a 100MHz -3dB bandwidth, 56MHz small signal bandwidth for -0.1dB gain flatness, and a 155V/μs slew rate.
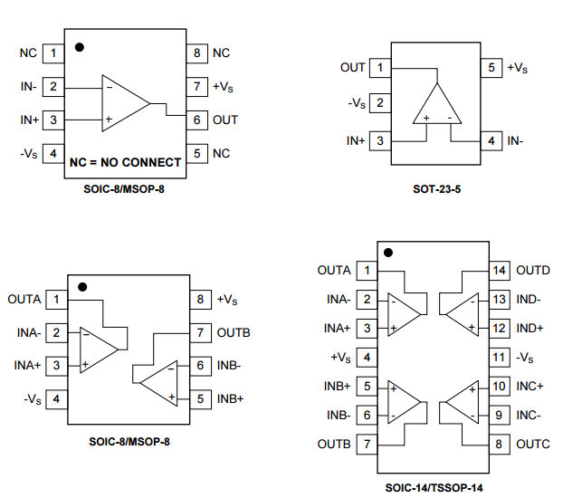
The CXAO42138A single is available in Green SOT-23-5, MSOP-8 and SOIC-8 packages. The CXAO42138B dual is available in Green SOIC-8 and MSOP-8 packages. The CXAO42138C quad is available in Green SOIC-14 and TSSOP-14 packages. The CXAO42138A/B/C are specified over the extended -40℃ to +85℃ temperature range.
产品特点 返回TOP
• +4.5V to +12V Single Supplies or ±2.25V to ±6V
Dual Power Supplies
• High Speed
100MHz -3dB Bandwidth
56MHz -0.1dB Gain Flatness
155V/μs Slew Rate
• Rail-to-Rail Output
• Low Differential Gain/Phase: 0.02%/0.02°
• High Output Drive: 103mA
• -40℃ to +85℃ Operating Temperature Range
• Small Packaging:
CXAO42138A Available in SOT-23-5, SOIC-8
and MSOP-8
CXAO42138B Available in MSOP-8 and SOIC-8
CXAO42138C Available in SOIC-14 and TSSOP-14
应用范围 返回TOP
Video Line Driver
Video-on-Demand
Set-Top Boxes
Surveillance Video Systems
Analog-to-Digital Converter Interface
CCD Imaging Systems
Digital Cameras
技术规格书(产品PDF) 返回TOP
需要详细的PDF规格书请扫一扫微信联系我们,还可以获得免费样品以及技术支持!

产品封装图 返回TOP

电路原理图 返回TOP

相关芯片选择指南 返回TOP 更多同类产品......
|
高速运算放大器 |
||||||||||||
|
Part No. |
CH |
SHDN |
VCC (Min) |
VCC (Max) |
BW @-3dB (MHz) |
VOS (mV) |
Iq/CH (mA) |
IB (pA) |
GBP (MHz) |
SR (V/μs) |
ENOIS E(nV/√Hz) |
Package |
|
1 |
N |
2.5 |
5.5 |
250 |
8 |
2.3 |
6 |
130 |
8.1 |
SOT-23-5 SOIC-8 |
||
|
2 |
N |
2.5 |
5.5 |
250 |
8 |
2.3 |
6 |
130 |
8.1 |
SOIC-8 MSOP-8 |
||
|
1 |
Y |
2.5 |
5.5 |
250 |
8 |
2.3 |
6 |
130 |
8.1 |
SOT-23-6 SOIC-8 |
||
|
4 |
N |
2.5 |
5.5 |
250 |
8 |
2.3 |
6 |
130 |
8.1 |
SOIC-14 TSSOP-14 |
||
|
2 |
Y |
2.5 |
5.5 |
250 |
8 |
2.3 |
6 |
130 |
8.1 |
MSOP-10 |
||
|
1 |
N |
2.5 |
5.5 |
500 |
8 |
8.2 |
6 |
420 |
5.6 |
SOT-23-5 SOIC-8 |
||
|
2 |
N |
2.5 |
5.5 |
500 |
8 |
8.2 |
6 |
420 |
5.6 |
SOIC-8 |
||
|
1 |
Y |
2.5 |
5.5 |
500 |
8 |
8.2 |
6 |
420 |
5.6 |
SOT-23-6 SOIC-8 |
||
|
1 |
N |
2.5 |
5.5 |
350 |
8 |
4.3 |
6 |
265 |
5.9 |
SOT-23-5 SOIC-8 |
||
|
2 |
N |
2.5 |
5.5 |
350 |
8 |
4.3 |
6 |
265 |
5.9 |
SOIC-8 MSOP-8 |
||
|
1 |
Y |
2.5 |
5.5 |
350 |
8 |
4.3 |
6 |
265 |
5.9 |
SOT-23-6 SOIC-8 |
||
|
4 |
N |
2.5 |
5.5 |
350 |
8 |
4.3 |
6 |
265 |
5.9 |
SOIC-14 TSSOP-14 |
||
|
1 |
N |
4.5 |
12 |
110 |
18 |
7.5 |
57 |
140 |
65 |
SOT-23-5 SOIC-8 MSOP-8 |
||
|
2 |
N |
4.5 |
12 |
110 |
18 |
7.5 |
57 |
140 |
65 |
SOIC-8 MSOP-8 |
||
|
4 |
N |
4.5 |
5.5 |
110 |
18 |
7.5 |
57 |
140 |
65 |
SOIC-14 TSSOP-14 |
||
| 热门信息 |
|---|
| 最新信息 |
|---|
| 推荐信息 |
|---|















