|
目录
一,产品概述(General Description) JTM223L 是一款单按键触摸及接近感应开关,其用途是替代传统的机械型开关。该 IC 采用 CMOS 工艺制造,结构简单,性能稳定。该 IC 通过引脚可配置成多种模式,可广泛应用于灯光控制、玩具、家用电器等产品。 二.产品特点(Features) 工作电压:2.0V~5.5V 低功耗模式仅 1.5uA(在 3V 且无负载) 电源稳定后,0.5S 内完成上电初始化 外部配置引脚设置为多种模式 内置稳压电路,可配置启用或禁止 灵敏度自动校准功能,工作环境发生变化可以快速自动适应 高可靠性,芯片内置去抖动电路,可有效防止外部噪声干扰而导致的误动作 可用于玻璃、陶瓷、塑料等介质表面 超小封装。可支持 SOP-14\SOT23-6 封装 三,应用范围 (Applications) 灯光控制、玩具、家用电器 四.下载产品资料PDF文档
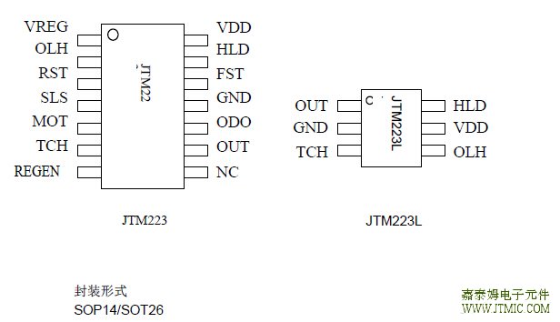
五,产品封装图 (Package) ![]() 六.电路原理图 ![]() 七,功能概述 1 快速/低功耗模式(FST) 通过对 PIN 脚 FST 的设置,可配置为快速模式或者低功耗模式,当该 PIN 脚悬空时,默认上拉为高 电平,置为快速模式。 芯片设置为 FST=1 (快速模式)时,触摸响应时间约 40ms;设置为 FST=0 (低功耗模式)时,触摸响应 时间约 160ms。快速模式的功耗约为低功耗模式的功耗的 4 倍。 2 保持/同步模式(HLD) 当 PIN 脚 HLD 悬空时,默认下拉为低电平,置为同步模式。 (责任编辑:oumao18) |




