JTM228 触摸检测 IC 是一款使用电容感应式原理设计的触摸芯片。此芯片内建稳压电路供触摸传感器使用,稳定的触摸效(2)
时间:2015-09-15 10:15来源:未知 作者:oumao18 点击:
次
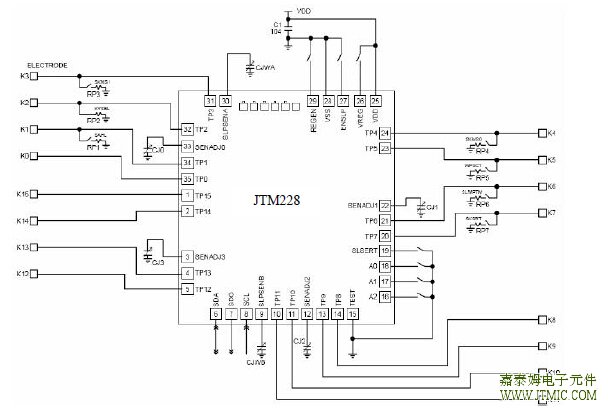
六 . 电路原理图 七 , 功能概述 1. 灵敏度调节 PCB 板上感应焊盘尺寸大小及走线会直接影响灵敏度,因此灵敏度调节需要根据实际应用的 PCB 应 进行调节,
六.电路原理图

七,功能概述
1. 灵敏度调节
PCB 板上感应焊盘尺寸大小及走线会直接影响灵敏度,因此灵敏度调节需要根据实际应用的 PCB 应
进行调节,JTM228 提供一些外部调节灵敏度的方法。
1-1 改变感应焊盘尺寸大小
若其他条件固定不变,使用一个较大的感应焊盘将会增大其灵敏度,反之灵敏度将下降,但是感应焊
盘的尺寸大小也必须是在其有效范围值内。
1-2 改变面板厚度
若其他条件固定不变,使用一个较薄的面板也会将灵敏度提高,反之灵敏度则下降,但是面板的厚度
必须低于其最大值。
1-3 通过调节外接电容(参见图 9-1)
当其他条件固定时,在可用范围(1pF≦CJ0~CJ3≦50pF,1pF≦CJWA~CJWB≦50pF)内增大 CJ0~CJ3,
CJWA 和 CJWB 的值将降低灵敏度。当不连接任何电容,即在电容连接处处于悬空其灵敏度为最大。
电容 CJ0~CJ3 用于调节工作模式下按键的灵敏度。
八,相关产品
|
型号 |
工作电压 |
工作电流 |
按键数 |
响应时间 |
应用领域 |
封装 |
|
|
|
|
|
|
JTM223 |
2.0V-5.5V |
1.5uA |
1键 |
40mS |
最大按键开启时间75s, |
SOT-26 |
|
|
|
|
|
|
家电/照明等各类电子产品 |
|
|
|
|
|
|
JTM223B |
2.0V-5.5V |
1.5uA |
1键 |
40mS |
禁止按键开启时间, |
SOT-26 |
|
|
|
|
|
|
家电/照明等各类电子产品 |
|
|
|
|
|
|
JTM223L |
2.0V-5.5V |
1.5uA |
1键 |
40mS |
带10s自恢复功能,移动电源专用 |
SOT-26 |
|
|
|
|
|
|
JTM224 |
2.0V-5.5V |
8uA |
2键 |
60mS |
家电/照明等各类电子产品 |
SOP8 |
|
|
|
|
|
|
JTM224 |
2.0V-5.5V |
8uA |
4键 |
60mS |
家电/照明等各类电子产品 |
SOP16/SSOP-16 |
|
|
|
|
|
|
JTM228 |
2.0V-5.5V |
5uA |
8/16键 |
32mS |
家电/照明等各类电子产品 |
SSOP-28 |
|
|
|
|
|
|
JTM225 |
2.0V-5.5V |
7uA |
1键 |
40mS |
LED台灯,带无级调光/分段调光 |
SOP-8 |
|
|
|
|
|
|
|
|
|
|
|
|
|
|
|
|
|
|
|
|
|
|
|
|
|
|
|
|
|
|
|
|
|
|
|
|
|
|
|
|
|
|
|
|
|
运放IC |
|
|
|
|
|
|
|
|
|
|
|
|
|
|
|
|
|
|
|
|
|
|
|
|
|
型号 |
工作电压 |
电源电流 |
静态电流 |
输入 |
电压增益 |
共模抑制比 |
电源电压 |
封装 |
替代型号 |
|
|
|
失调电压 |
抑制比 |
|
|
|
LM321 |
24V或±12V |
2mA |
10mA/-12mA |
7mV |
25 V/mV |
65dB |
65dB |
SOT-25 |
LM321 |
|
|
|
LM358 |
24V或±12V |
2mA |
10mA/-12mA |
7mV |
25 V/mV |
65dB |
65dB |
SOP8/DIP8 |
UTC358/AZ358 |
|
|
|
JRC4558 |
24V或±12V |
3.5mA |
30mA/-50mA |
2mV |
100dB |
90dB |
90dB |
SOP8/DIP8 |
UTC4558/LM4558 |
|
|
|
LM324 |
24V或±12V |
1.5mA |
40mA/-20mA |
2mV |
100 V/mV |
80dB |
100dB |
SOP14/DIP14 |
UTC324/AZ324 |
|
|
|
|
|
|
|
|
|
|
|
|
|
|
|
|
低压低功耗运放IC |
|
|
|
|
|
|
|
|
|
|
|
|
|
|
|
|
|
|
|
|
|
|
|
|
型号 |
工作电压 |
电源电流 |
静态电流 |
输入 |
电压增益 |
共模抑制比 |
电源电压 |
封装 |
替代型号 |
|
|
|
失调电压 |
抑制比 |
|
|
|
LMV321 |
2.7V-5.5V |
50uA |
23mA |
1.7mV |
90dB |
88dB |
92dB |
SOT-25 |
SGM321/NJM2107/MCP6001/MCP6401 |
|
|
|
MC33201/NCV33201/TS921 |
|
|
|
JTM8541 |
2.1V-5.5V |
42uA |
23mA |
0.8mV |
90dB |
88dB |
92dB |
SOT-25 |
SGM8541/AD8541 |
|
|
|
LMV358 |
2.7V-5.5V |
100uA |
23mA |
1.7mV |
90dB |
88dB |
92dB |
SOP8 |
SGM358/MCP6002/MCP6402 |
|
|
|
MC33202/NCV33202/TS922 |
|
|
|
LMV324 |
2.7V-5.5V |
200uA |
23mA |
1.7mV |
90dB |
88dB |
92dB |
SOP14 |
SGM324/MCP6004/MCP6404 |
|
|
|
MC33204/NCV33204/TS924 |
|
|
|
|
|
|
|
|
|
|
|
|
|
|
|
|
比较器IC |
|
|
|
|
|
|
|
|
|
|
|
|
|
|
|
|
|
|
|
|
|
|
|
|
|
型号 |
工作电压 |
静态电流 |
输出电流 |
输入失调电压 |
电压增益 |
输出饱和电压 |
响应时间 |
封装 |
替代型号 |
|
|
|
LM393 |
24V或±12V |
2.5mA |
-16mA |
1mV |
50 V/mV |
150mV |
1.3ns |
SOP8/DIP8 |
UTC393/AZ393 |
|
|
|
LM339 |
24V或±12V |
1mA |
-16mA |
2mV |
50 V/mV |
130mV |
1.3ns |
SOP14/DIP14 |
UTC339/AZ339 |
|
|
|
|
|
|
|
|
|
|
|
|
|
|
|
|
|
|
|
|
|
|
|
|
|
|
|
|
|
型号 |
功能 |
工作电压 |
工作电流 |
信噪比 |
输出增益 |
封装 |
替代型号 |
|
|
|
|
|
JTM1671 |
6dB/75 欧姆视频驱动IC |
2.5V-5.5V |
7mA |
70dB |
6dB |
SOT-26 |
MM1671 |
|
|
|
|
|
NJM2561 |
|
|
|
|
|
NJM2575 |
|
|
|
|
|
JTM1673 |
6dB/75 欧姆视频驱动IC |
2.5V-5.5V |
7mA |
70dB |
12dB |
SOT-26 |
MM1673 |
|
|
|
|
|
JTM1681 |
单通道6 阶高清视频滤波驱动IC |
2.5V-5.5V |
11mA |
60dB |
6dB |
SOT-26 |
MM1681 |
|
|
|
|
|
NJM2267 |
双通道6dB/75 欧姆负载驱动IC |
4.85V-9V |
14mA |
70dB |
6dB |
DMP8 |
NJM2267 |
|
|
|
|
|
FMS6143 |
三通道四阶视频滤波器IC |
4.75V-5.25V |
27mA |
75dB |
6dB |
SOP-8 |
FMS6143 |
|
|
|
|
|
SGM9115 |
|
|
|
|
|
FMS6263 |
三通道6 阶高清视频滤波驱动IC |
2.5V-5.5V |
27.5mA |
60dB |
6dB |
SOP-8 |
FMS6363 |
|
|
|
|
(责任编辑:oumao18) |
------分隔线----------------------------